固定されたツイート

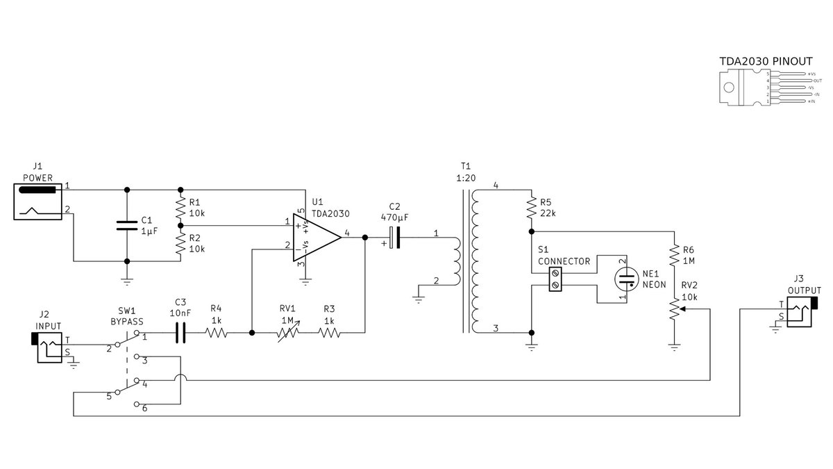
Handmade Effects Pedal fujitone
4.6K posts

@FujitoneDIY
ギターエフェクターの製作過程をASMR風動画で公開しています。製作したエフェクターの販売もしております(販売するに値するものに限り)。ジャンク品を集めて直したりもしています。


4/26(日)に東京仙川駅から直ぐのK2スタジオにてギタリスト西村さんホストのオープンマイクが有ります。 マイクでの演奏になりますが舞台が有りソロギターの経験を積むにふさわしいです。 参加希望の方は西村歩さんホームページからどうぞ 西村さんの曲でなくても大丈夫です

















【新社会人必見】 QOLが爆上がりする家電のTier表
