Cacahuete

251 posts

Cacahuete

Cacahuete

@Ccht

France Katılım Mayıs 2009
0 Takip Edilen16 Takipçiler
Homeworld
Homeworld@HomeworldGame·
All month long we’ll be accepting players to join the fight in Homeworld Mobile!✨ Don't miss your chance to be part of the invite-only technical playtest: HomeworldMobile.com
GIF
English
12
40
168
0
Tikhon Jelvis
Tikhon Jelvis@tikhonjelvis·
A programming language isn't a tool the way a hammer is a tool. A musical instrument would be a better analogy—somewhere between a tool and a medium, sometimes hinting at a specific aesthetic. The difference between a keyboard and a prepared piano is much more than their sounds.
English
1
6
18
0
Cacahuete
Cacahuete@Ccht·
@asso_python_fr Merci pour l'orga, c'était plus Talk que Lightning mais non moins intéressant 🐍
Français
0
0
0
0
Cacahuete
Cacahuete@Ccht·
@Nikos_132 Yes alas... Software cannot be kicked when faulty!
English
0
0
0
0
Nikos132
Nikos132@Nikos_132·
@Ccht What are these strange colored threads? Hardware is the part of the system you can kick isn't it?
English
1
0
0
0
Cacahuete
Cacahuete@Ccht·
Ah si voilà pourquoi ➡️ Software can be art. Software can be created to express thoughts, emotions, opinions, experiences, etc. and it can appreciated as interesting, emotionally challenging, inspirational, and beautiful. ➡️ Gatekeeping and elitist attitudes are horseshit. 😷
English
0
0
1
0
Cacahuete
Cacahuete@Ccht·
@whitequark @brouhaha @SamuelAFalvoII @geschema You're right I wasn't clear enough: async output are banned unless *expressively* required by a design (which I never encountered). Combinational bus ACK or bus back pressure are the exception if the chain can be kept small enough or otherwise broken by a register barrier.
English
2
1
2
0
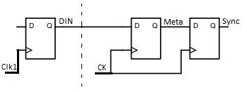
Guy Eschemann
Guy Eschemann@geschema·
An often overlooked aspect of crossing clock domains using a 2DFF synchronizer is that you need a register in the source clock domain before the synchronizer. Otherwise your synchronizer might very well synchronize glitches produced by combinatorial paths. #FPGA
Guy Eschemann tweet media
English
7
11
73
0
Cacahuete
Cacahuete@Ccht·
@whitequark @brouhaha @SamuelAFalvoII @geschema I would like to add for completeness that no module should have asynchronous outputs unless it's a specific requirement, which makes the depicted CDC a generality. It is a coding convention that we apply at work (make it 3 stages for safety critical designs).
English
1
1
2
0
Catherine
Catherine@whitequark·
@brouhaha @SamuelAFalvoII @geschema it's not just the LUT, too! your LUT can be perfectly glitch-free, but the inputs to it don't change all at once, so routing delay can introduce glitches as well.
English
1
1
1
0
Cacahuete
Cacahuete@Ccht·
@2braids What a disappointment this should be for a man like you that has such a love for seamless relations and we'll engineered interactions 😔 Hope your body wont miss them too much! A chance your brain and spirit have other energy sources 🌹
English
0
0
0
0
Cacahuete
Cacahuete@Ccht·
@CeGenreDeB2 @E_Mrgrt D'autant plus saisissant que plus que de l'histoire : c'est de l'actualité ! La présence de Trump à la présidence est carrément plus compréhensible avec cette perspective 😮 *2 ép. par contre, ou alors j'ai raté qqch 😉
Français
0
0
1
0
B2
B2@CeGenreDeB2·
Regardez le documentaire en trois parties de Arte sur le KKK svp et gardez en tête que depuis la France vs ne pouvez pas juger de la portée (ou non) de l'élection/nomination d'un (e) noir à des hauts postes de pouvoir aux US
Français
4
10
35
0
adriennefriend
adriennefriend@adriennefriend·
@Ccht @2braids I do not believe they were recorded. Recording is expensive and not every conf can do it. :( You can check the website at pytennessee.org and also search on Youtube for PyTennessee to see if someone maybe recorded someone's talk with their own equipment. Good luck! :)
English
1
0
0
0
adriennefriend
adriennefriend@adriennefriend·
In a slide deck I'm working on, I changed my GIFs to still images. GIFs are fun, but for some reason they are really hard on my brain. If I find it hard to concentrate on writing my content while one is flashing, how hard is it for the folks in the audience when I give my talk?
English
7
0
23
0
Cacahuete
Cacahuete@Ccht·
@adriennefriend @2braids Hello to both of you, I missed PyTennessee and would like to know if, by any chance, talks can be found somewhere? Many thanks for your time 🙏
English
1
0
0
0
adriennefriend
adriennefriend@adriennefriend·
@2braids You sure did and it was outstanding! One of the best talks I've seen. Your synchronization was just as you put it: perfect. It was a tremendously positive, memorable experience.
English
1
0
0
0
Cacahuete
Cacahuete@Ccht·
@garatronic Je mets ça de côté en prévision de l'installation imminente d'un linky chez nous, merci !
Français
0
0
0
0
Cacahuete
Cacahuete@Ccht·
@dexsilicium Et bien je n'avais même pas pensé chercher sur Twitter 🤦🏼‍♂️
Français
0
0
0
0
Deus ex Silicium
Deus ex Silicium@dexsilicium·
Demain midi, petite vidéo de 10mn face caméra pour aborder quelques sujets concernant la chaîne #YouTube et faire quelques annonces sur ce qui est à venir... 😊
Deus ex Silicium tweet media
Français
5
15
301
0