AMSynths@AMSynths·27 NisAMSynths Product New April 2022 - mailchi.mp/a8ab11d2c0b5/a… is out now! Preparing for Superbooth 22 and more!Çevir English0000
AMSynths@AMSynths·11 Nis@alfarzpp Fantastic news, will place an order of 100 as soon as they are in production. Lots of applications in VCF's and VCA's.Çevir English0000
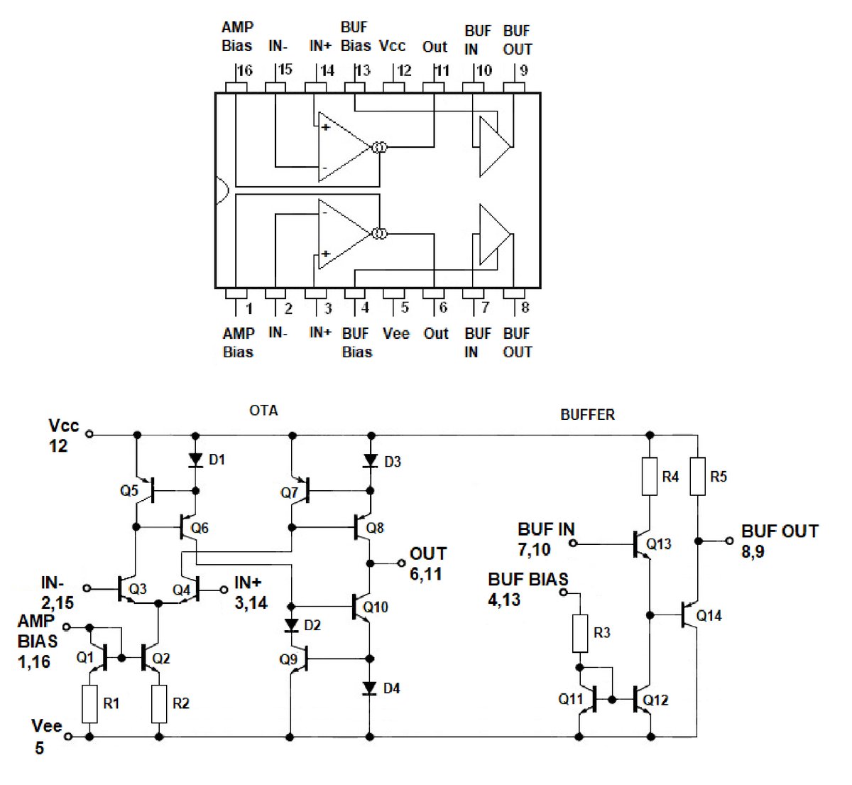
ALFA RPAR AS@alfarzpp·7 NisStarted evaluation of #AS662 D - dual #OTA . alfarzpp.lv/eng/sc/AS662D.… alfarzpp.lv/eng/sc/AS662D.…Çevir English1080