
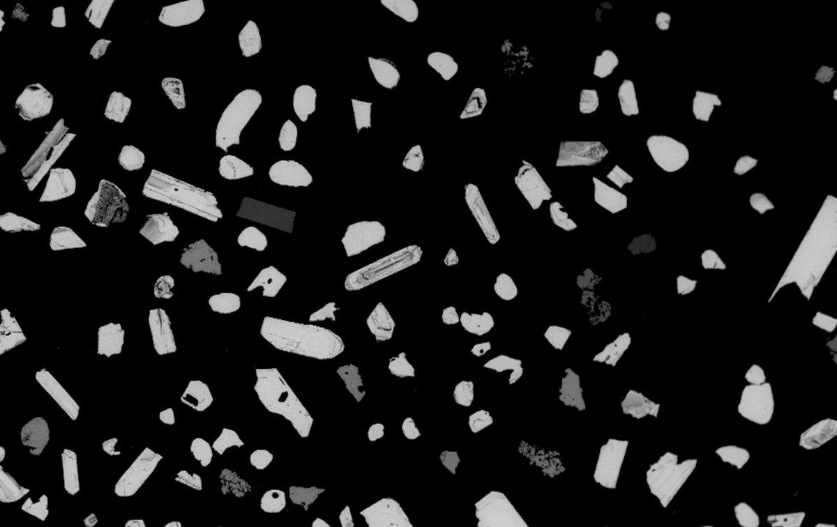
We had a great week in Tucson at the AZ Laserchron! We used the LA-ICP-MS to measure U and Pb isotopes to date #zircon in glacial tills from #Antarctica. In 6 days we analyzed 15 samples, 6,000 zircon grains, and the laser fired 786,000 times! #nsffunded #undergradresearch




English





























































