buğra
3.2K posts


@thafiyeteorisi benim ment 2 defa gönderilemedi şeklinde gözükmüştü şimdi gitmiş amk
Türkçe

Denyo Hart bile kitabını yazarken şematikler için bu kadar uğraşmamıştır galiba. Ya da gidip vektörel çizim zımbırtılarını benden iyi bilen biriyle çalışmıştır bilemedim

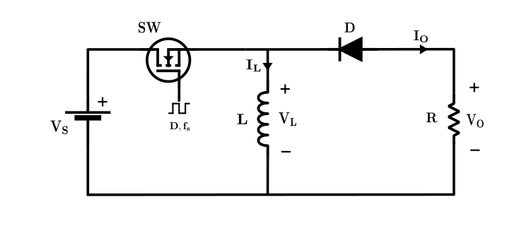
Taha@thafiyeteorisi
Hoca rapordaki figürlerin vektörel olmasını istiyor ben illustrator ve canva kullanabildiğim halde düzgün yazı ekleyebilmek için figür üzerine hiç bilmediğim başka bi programdan çizmem lazım. Gerek var mıydı usta ya
Türkçe

yorumlara bak herkes komedyen soktuğumun yerinde
zener diyot@eeftenbiri
aselsanın sivastaki stajına başvuramıyorum çünkü elektrik-elektronik yerine elektronik ve haberleşme okuyorum 😄😄😁😆
Türkçe

@akeanorr Abi ben 1 saat kadar önce sıçtım da mülakatta buna gelmesem olur mu
Türkçe

@lordoftheastana mcsg için o 50-60'ı domaldım maalesef aklımda 60 diye kalmış niyeyse
Türkçe

ben bu siteden dolar 2tl iken 50 liraya mcyi çok pahalı bulup almamıştım sonra dolar 8.5 iken 200 liraya aldım
GIF
Web Design Museum@WebDesignMuseum
Minecraft website in March 2012
Türkçe
buğra retweetledi

only thing i learned in engineering school was that your classmates also want to kill themselves
Sam ☕@samirande_
12th class mfs are thinking they're gonna learn these things in engineering colleges...
English

ilk degil ama guncel sokum: kuzenimin 7 yasindaki kizi tabletini fotografim acik sekilde getirdi "mina'ya benziyosun cok guzelsin irem abla" diyip kacti
Lurci@yusuflrc
İlk iltifat şokunuz neydi
Türkçe
buğra retweetledi




