doka酱
110 posts


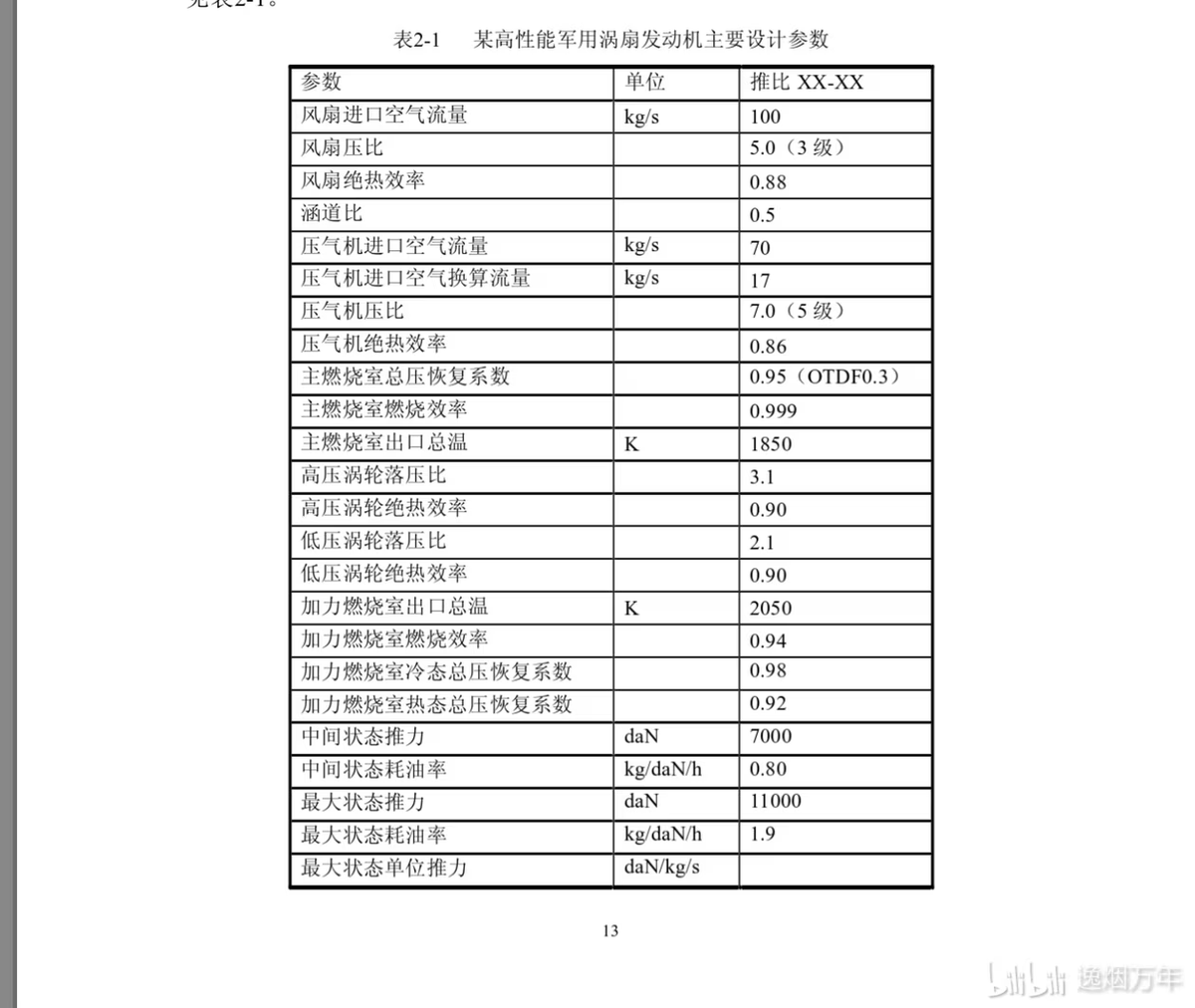
中间推力70kN,加力推力110kN,3-5-1-1构型,涵道比0.5,中间耗油0.8kg/daN/h,加力耗油1.9kg/daN/h

理智π@Rational314159
疑似某先进中推的性能参数: 最大海平面起飞推力:10-11吨级 涡轮前温度:1950-2100K 图源见水印
中文

@craftfish3 @Rational314159 然而EJ270和F414EPE一个量产的都没有,GE虽说F414EDE通过fadec就能升级成EPE,但目前为止KF21、FA18EF和鹰狮均没选用过EPE
中文

@1720790930s @Hurin92 你老母臭閪原來喺真on9唔喺扮個喎,我喺唔喺香港人我自己最清楚,屌你老母你喺咪覺得香港人就一定唔睇B站嘅?我睇B站睇咗成五年,請問聲仲有乜術語我喺唔識㗎😅?
中文





























