Denis Nechitailov

45 posts

Denis Nechitailov

Denis Nechitailov

@DNechitailov

Katılım Aralık 2021
28 Takip Edilen22 Takipçiler
Denis Nechitailov
Denis Nechitailov@DNechitailov·
This is how OSL calibration transforms the 2D space.
English
0
0
0
29
Denis Nechitailov
Denis Nechitailov@DNechitailov·
Do you know that you can get a sample pack of 10x freshly baked RP2350A and RP2350B chips from Raspberry PI? #raspberrypi #rp2350
Denis Nechitailov tweet media
English
0
1
6
345
Denis Nechitailov
Denis Nechitailov@DNechitailov·
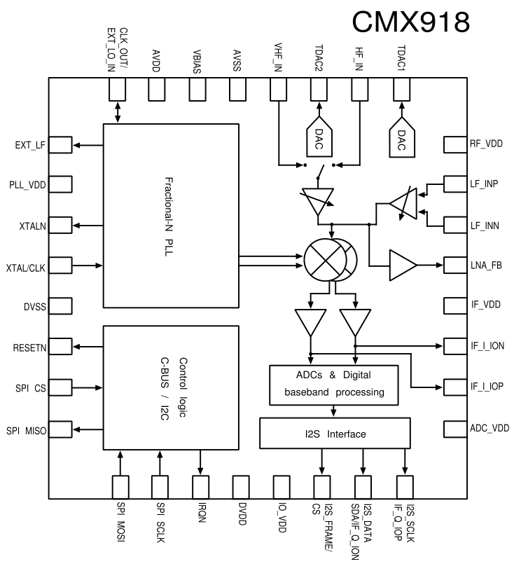
Do not want to buy a "CML Micro DE9180-2 Demo & Prototyping Kit for the DRM1000"? Make it yourself for $10. Now I have access to the internal I2C as well as to the digital data from the CMX918. #DRM #hamradio #cmlmicro
Denis Nechitailov tweet mediaDenis Nechitailov tweet mediaDenis Nechitailov tweet media
English
1
1
3
153
Denis Nechitailov retweetledi
PCS Electronics
PCS Electronics@pcs_elec·
Prototype boards of a new DSP/DDS modulator are coming from the assembly. 1 to 108 MHz, streaming MPX or I/Q data from USB audio or directly from Raspberry PI. FM and DRM (both HF and VHF) modes are tested OK! #FM #DSP #DRM @drmdigitalradio
PCS Electronics tweet mediaPCS Electronics tweet media
English
0
1
2
98
Ryzerth 🐲
Ryzerth 🐲@ryzerth·
The latest SDR++ nightly now contains support for the @rigexpert #FobosSDR. I've worked around the some hardware issues. The hardware sample rate is locked at 50MS/s or more, lower SRs are decimated in software. I found issues in the driver code, will submit fixes. #sdr #sdrpp
Ryzerth 🐲 tweet media
English
7
4
48
4K
Denis Nechitailov
Denis Nechitailov@DNechitailov·
@ryzerth @rigexpert Hi! Can we also have an option for 40 Msps? There is a mod for the receiver when a 40 MHz oscillator is installed instead of 10 MHz one, and the SI5351 is re-programmed to pass through the 40 MHz signal to all the chips. In such a simple way we get rid of most of the phase noise.
English
0
0
0
69