Carol
1.1K posts

Carol
@_Carol_Mag
Working to extend healthy human life |@age1VC | 🇧🇷🇺🇸



Finding new medicines is getting more and more expensive, and AI won't help much unless we can generate physiological data at scale. In our new preprint, @GordianBio extends the progress of the functional genomics community to run pooled in vivo screens at scale, in a way that answers questions about physiology and therapeutic potential. We show screens in mice and horses, fibrotic and degenerative disease, with a framework for physiological predictions validated in human ex vivo tissues. Very proud of @v_sontake, @vkartha88, Neety and the rest of the team. Tweetorial follows:







State of Brain Emulation Report 2025 is officially out. Standing on the shoulders of giants, we created a 175-page report, 24 datasets and 38+ figures. A one-year project with over 45 expert contributors from MIT, UC Berkeley, Allen Institute, Harvard, Fudan University, Google and other institutions. A few months back we shared a pre-print. Now everything is open access and beautifully presented at: brainemulation.mxschons.com


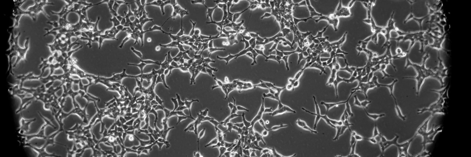
New single rejuvenation factors 🚀 They used a transcriptional rejuvenation platform, based on replicative ageing, to identify single transcription factors that promote rejuvenation. They then validated hits in vitro and, for one factor (EZH2), in the liver of aged mice.



Today we announced Vessel, a project focused on rethinking perfusion from the ground up, extending how long life can be sustained, and expanding what’s possible in transplantation and critical care. Life-support technologies like ECMO can keep patients alive when the heart or lungs fail, but they aren’t designed for long-term use. Vessel exists to close the gap between what perfusion technology is fundamentally capable of and how it is deployed in daily practice. Our founder and CEO Max Hodak spoke with @WIRED's @emilylmullin about how neural interfaces and Vessel are both longevity technologies, and that is the goal of Science. wired.com/story/a-brain-…

Starting a cycle of BPC-157 to heal my knee I just injured playing soccer Expecting fast recovery – peptides are insane






