Sabitlenmiş Tweet
Timmy Seto
318 posts

Timmy Seto
@TimmySeto
CNC parts in 4 days or less - CEO @ForgeForgeForge
Toronto Katılım Eylül 2024
224 Takip Edilen2.4K Takipçiler

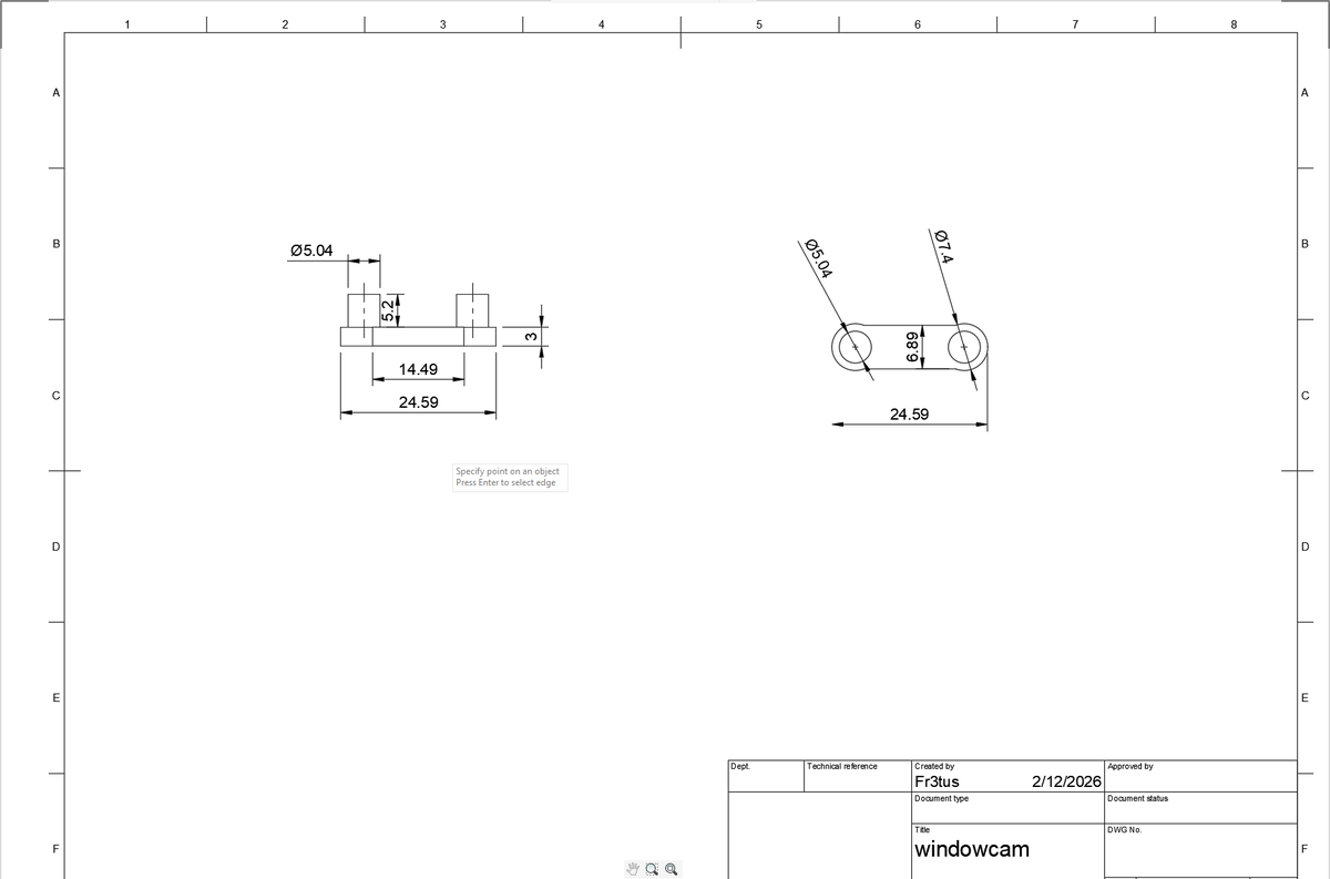
Shout out to @TimmySeto who provided the aluminum housing for the sensor. Fast turnaround time and he helped me work through some design constraints I had in my initial CAD.
English

I will make you your CNC parts faster than anyone else!!
We out here hustling 🏃🏃🏃
Zane Hengsperger@zanehengsperger
THANK YOU @TimmySeto FOR GETTING OUR AUTOMATION BACK UP N RUNNIN!!! You were quicker than we our ability to receive the material.
English

@TimmySeto @zanehengsperger Where’s the mill cert?!?!! Final inspection?!?!! Chain of custody traceability?!??
English

Quick POV making @zanehengsperger part
Zane Hengsperger@zanehengsperger
attention manufacturing twitter. can anyone else us make this asap?
English

@TimmySeto Make sure to keep them wet by setting them by a dock door.
English

Look what happens when we don’t have the racks ready in factory 2 💀💀

Barrett Ames@cbames
Holy tool rack batman!
English

@davidliuxyz Gotta love the machine with wheels on a pallet for easy portability haha
English

@davidliuxyz @gofinalrev @devonkcopeland How laggy is the haas control now for you? I’m am fining it unbearable
English

@gofinalrev cto @devonkcopeland operating the 5-axis and figuring out how our software will remove friction and deliver speed

English

The goat @zanehengsperger coming in clutch for a single pcs of 7075 haha.
Thanks for the super fast turn around!!!

English















